Контакты
Новости
Каталоги
Наличие по Excel
 Войти
Сортировать:
Сначала новые
Сначала старые
Цена ↑
Цена ↓
Кол-во ↑
Кол-во ↓
Имя A→Я
Имя Я→A
Серийник ↑
Серийник ↓
84993120 - Ремень прив. вал. промеж. 4430мм CS, CSX, CX6
34 484 ₽
87521887 - Ремень привода вала соломотряса 3140мм CS, CSX, CX6090
5 637 ₽
87554853 - крыло
41 290 ₽
84466102 - Поршень муфты торм. моста 450сер. T9./St.
77 040 ₽
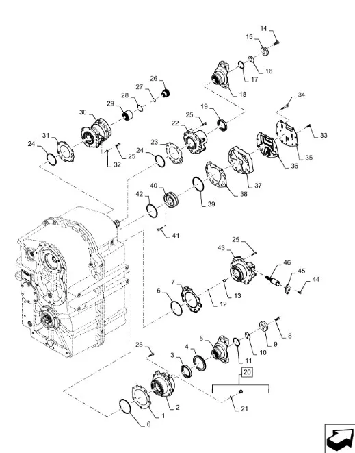
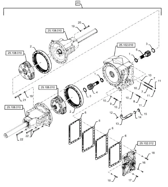
85000175 - Редуктор МКШ жатки H/E Cap, Vari, 720, 2030
214 042 ₽
84170773 - Вал карданный (демпфер ДВС редуктор повыш.) КПП T8.
149 561 ₽
47403798 - Шайба толщинная 0,1мм фланца вала вх./2го КПП TJT9./St.
1 260 ₽
84597068 - Фильтр топл. тонк. оч. ДВС Cursor10/13 T9,T9.505/St., CR, Tr., Str.
2 373 ₽
47833564 - Фильтр КПП гидравл. T8./Mg.
13 250 ₽
87315721 - Подшипник тяги прив. стана реш. CX8./CR9., 8010, 8230/40/50
17 612 ₽
90413092 - Ремень прив. ген., насоса вод., компр. конд. ДВС T8./Mg. с 14г.в., Axion9
4 817 ₽
86623593 - Подшипник кон. в сб. вала КПП / редукт. ДВС TJ T9./St. CX8, CR
22 623 ₽
504045796 - Прокладка теплообм. ДВС Cursor8K/10/13 T9,T9.505/St., CR, Str., Tr.
1 154 ₽
427679A1 - Кольцо стоп. толщ. 2,9мм вала КПП TJT9./St.
1 421 ₽
47402749 - Шайба толщинная 0,1мм фланца вала 4/5 го КПП TJT9./St.
2 171 ₽
47517242 - Ремень привода вентилятора выдува 2097мм CX6 сн после 952
21 137 ₽
5162623 - Кольцо стоп. шестерникорп. муфты Е,D,19й скор. КПП TMT7/MXMPm, T6090
120 ₽
238-5327 - 5327 Кольцо упл. TJT9./St., 2366/88, 6130/40
167 ₽
84192753 - ремень
56 062 ₽
84137965 - Ремень прив. элев. зерн. CR с 11г.в.
25 780 ₽
47403799 - Шайба толщинная 0,15мм фланца вала вх./2го КПП TJT9./St.
1 268 ₽
191709A1 - Кольцо толщ. 0,076мм. подш. хвостовика моста TJT9./St.
427 ₽
370568A1 - Держатель вала 5го КПП TJT9./St.
36 536 ₽
86566566 - Штуцер 3/8"24 муфты гидравл. включения TC5, CS, CSX, CX6, CR9080"
29 792 ₽
«
<
1
...
3
4
5
6
7
...
34117
>
»
Страница:
Перейти